GD&T Training Worldwide

Providing GD&T training in English, Spanish, Portuguese and Mandarin.

Home of The GD&T Hierarchy

GD&T courses that are designed to keep the participant interested and engaged, while having fun.

On-Site and Computer Based Training
Public Seminars and Webinars

GD&T Fundamentals (Y14.5-2018)

Back to On-Site Training

Who should attend: All those who use GD&T to design, produce and inspect parts: mechanical engineers, designers, managers, production planners, inspectors, machinists, supplier quality personnel, etc.

The Need: A concurrent engineering team equipped with the proper tools has the ability to shorten time to market, reduce engineering changes and create a robust quality design. Design decisions should be optimized for quality cost and delivery at the sketch phase when an engineering change costs a few cents rather than hundreds or thousands of dollars months later. The drawing is the common thread of the concurrent engineering team.

This is the first in a series of seminars that presents understandable user friendly tools that may be used by your entire team to get it right the first time. By using these methods, design decisions are based on fact rather than emotion and past practices.

Course Description: (24 Hours)

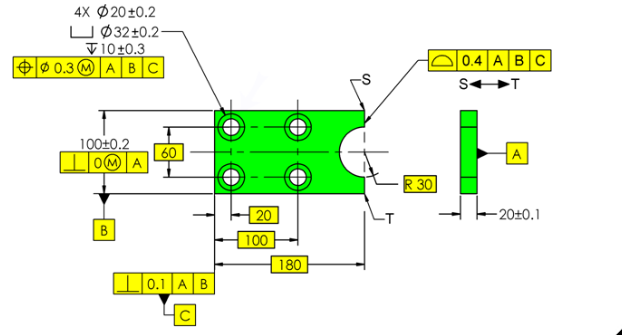
You'll discover the major pitfalls of traditional coordinate tolerancing - and how they may be overcome by using Geometric Tolerancing. Then, starting with your basic print reading knowledge, you'll learn the symbols, terminology and rules of Geometric Tolerancing as prescribed in the ASME Y14.5-2018 Standard. The GD&T Hierarchy will be presented to explain the relationship between tolerances and how to most economically apply the concepts.

Why GD&T Hierarchy?

Introduction

  • Geometric Shapes
  • Geometric Characteristics
  • What is GD&T?

  • GD&T Symbols
  • Statistical Tolerancing
  • Actual Envelopes
  • Features of Size
  • Irregular Features of Size
  • Material Condition Modifiers
  • The Feature Control Frame
  • Boundaries
  • Rules
  • Continuous Feature
  • Principle of Independency
  • Virtual Condition
  • Datums

  • Datum Features
  • Datum Feature Simulators
  • Datum Reference Frame
  • Degrees of Freedom
  • Datum Precedence
  • Datum Feature Selection
  • Datum Feature Controls

  • Affect of Modifiers
  • Rotational Constraint
  • Datum Translation
  • Advanced Datum Concepts

  • Simultaneous Requirements
  • Restraint Clarified
  • Datum Targets
  • Repetitive Patterns of Features
  • Form

  • Flatness
  • Straightness
  • Circularity
  • Cylindricity
  • Orientation

  • Perpendicularity
  • Parallelism
  • Angularity
  • One Orientation Symbol
  • Tangent Plane
  • Profile

  • Between Symbol
  • All Around Symbol
  • General Profile Tolerances
  • Unequal Profile Tolerance
  • Composite Profile Tolerancing
  • Coplanarity
  • Non-Uniform Zone
  • Coaxial Features

  • Position
  • Composite and Single-Segment
  • Inspecting Position
  • Full Indicator Movement
  • Runout
  • Profile Controlling Coaxiality
  • Pre- and Post-Testings is Available

    OPTIONAL 4th Day (8 hours)

  • Discuss your parts and how to better utilize GD&T in-house.
  • Additional Information:

    Free phone and email consultation is available following the course

    All courses are taught in accordance with the ASME/ANSI unless requested otherwise

    Contact Us Today!