PDF is Available with GD&T Reference Center Subscription.
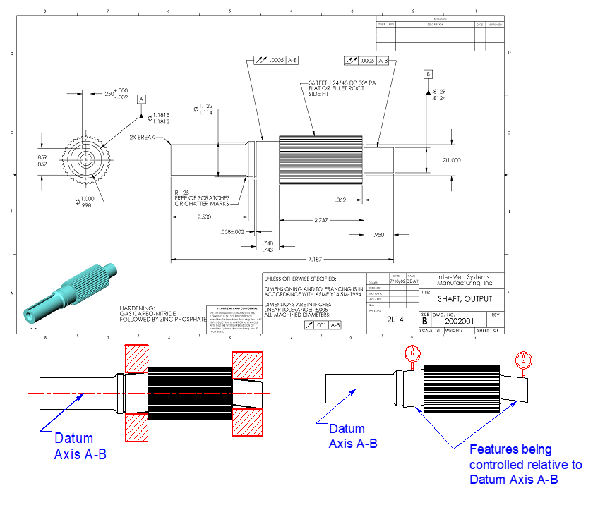
I often get the question, “How can a feature reference itself in a feature control frame?” The answer is, "It can’t." Datum features referenced in a feature control frame are establishing a datum reference framework which serves as the origin of measurement. The shaft shown has two total runout controls that appear to be referencing themselves. The total runout tolerance applies to the surface of the features. The datum is an axis which is established using the two datum features A and B.

This tip is in accordance with ASME Y14.5M-1994
This tip was originally released in March 2003.
